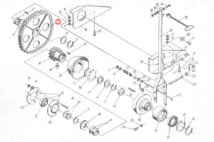
Большая шестерня на 70 зубов привода выгрузного бункера картофелеуборочного комбайна Анна Z-644. Каталожный номер 5644/73-005(8255-644-730-057). Зубчатое колесо с шириной зуба 27 мм и внутренним диаметром под вал 30 мм. Работает в паре с шестерней муфты сцепления.
Схема из каталога Анна Z-644: Таблица 39 № 3
![shesternya-bunkera-anna-z-644-4]](https://atxtop.ru/wp-content/uploads/2019/09/shesternya-bunkera-anna-z-644-4.jpg)
Связаться с нами WhatsApp +375 29 724 35 29
Сопутствующие элементы:
- Барабан сцепления выгрузного бункера Анна Z 644
- Барабан сцепления выгрузного бункера Анна Z 644 в сборе
- Муфта сцепления выгрузного бункера Анна Z 644
- Муфта сцепления выгрузного бункера Анна Z 644 в сборе
- Накладка муфты сцепления выгрузного бункера Анна Z 644
- Шестерня муфты сцепления выгрузного бункера Анна Z 644
- Обойма муфты сцепления выгрузного бункера Анна Z 644
Нужно больше информации?
Свяжитесь с нами и мы ответим на вопросы!
+375 29 724-35-29 (WhatsApp)

![shesternya-bunkera-anna-z-644-1] shesternya-bunkera-anna-z-644-1]](https://atxtop.ru/wp-content/uploads/2019/09/shesternya-bunkera-anna-z-644-1-300x200.jpg) 
							
						![shesternya-bunkera-anna-z-644-2] shesternya-bunkera-anna-z-644-2]](https://atxtop.ru/wp-content/uploads/2019/09/shesternya-bunkera-anna-z-644-2-300x200.jpg) 
							
						![shesternya-bunkera-anna-z-644-3] shesternya-bunkera-anna-z-644-3]](https://atxtop.ru/wp-content/uploads/2019/09/shesternya-bunkera-anna-z-644-3-300x200.jpg) 
							
						![shesternya-bunkera-anna-z-644-4] shesternya-bunkera-anna-z-644-4]](https://atxtop.ru/wp-content/uploads/2019/09/shesternya-bunkera-anna-z-644-4-300x200.jpg) 
							
						![shesternya-bunkera-anna-z-644-1] shesternya-bunkera-anna-z-644-1]](https://atxtop.ru/wp-content/uploads/2019/09/shesternya-bunkera-anna-z-644-1.jpg) 
						




















Отзывы
Отзывов пока нет.